Av 101 Ex Iturraspe Nº895 - B1650BKM - San Martín

Volver

VALVULA GLOBO DE PISTON - CKST AºB 300lb - 2 1/2"- 6"

Acero Carbono Fundido ASTM A 216 Gr WCB

Alternativa de construcción totalmente en Acero lnox.

CONEXIONES BRIDADAS

CONSTRUCCIÓN
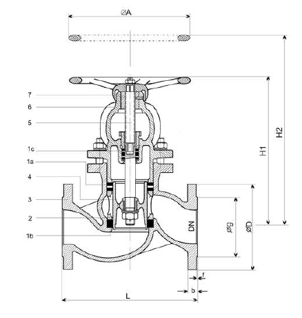
Partes Material
1a ANILLO SUPERIOR GRAF. C/INOX. Y PTFE
1b ANILLO INFERIOR GRAF. FLEXIBLE Aº INOX
1c ANILLO PRENSA GRAF. C/INOX. Y PTFE
2 LINTERNA HIERRO FUNDIDO ASTM A 126 Gr B
3 CUERPO ACERO FUNDIDO ASTM A 126 Gr WCB
4 PISTON ACERO INOX
5 VASTAGO ROSCADO ACERO ALEADO
6 BONETE ACERO FUNDIDO ASTM A 126 Gr WCB
7 BUJE ROSCADO BRONCE

TEST HIDROSTÁTICO
Material bar
Cuerpo 60
Cierre 40

Presión/Temper. Ambiente

APLICACIÓN

Presión - Temp

16 bar - 450°C

40 bar - 120°C

Vapor Saturado:

Curva 2


OBSERVACIONES
  1. 'L' conforme norma ANSI B 16.10
  2. Bridas conforme norma ANSI B 16.5 - 300 Lb. Otras normas consultar.
  3. Terminación de bridas: rayado según ANSI B 16.10 RF.
  4. Salvo pedido específico, las bridas son entregadas sin perforar
DIMENSIONES
DN CUERPO CONEXIÓN Peso Aprox. (Kg.)
pulg. mm. L H1 A H2 D b g f
2 1/2 65 292 311 270 380 190.5 25.4 104.8 1.6 34.0
3 80 317 356 270 436 209.5 28.6 127 1.6 47.0
4 100 356 419 310 513 254 31.7 157.2 1.6 75.0
5 125 400 445 380 549 279.5 34.9 185.7 1.6 95
6 150 444 512 380 632 317 36.5 215.9 1.6 134